
DW15万能断路器结构特征
1、DW15-200、400、630万能式断路器
该断路器为立体布置形式,触头系统、快速电磁铁、左右侧面板均安装在一块绝缘板上。上部装有灭弧系统,操作机构可装在正前方或右侧面。有“分”、“合”指示及手动断开按钮。其左上方装有分励脱扣器,背部装有与脱扣半轴相连的欠电压脱扣器。速饱和电流互感器或电流电压变换器套在下母线上。欠电压延时装置、热继电器或半导体脱扣器均可分别装在下方。
2、DW15-1000、1600、2500、4000万能式断路器
DW15万能式断路器为立体式布置形式、触头系统,操作机构均安装在铁制框架上。上部有灭弧系统,右面装有操作机构。“通”、“断”指示及手动“合”“分”按钮。左侧面装有分励脱扣器、欠电压脱扣器。速饱和电流互感器或电流电压变换器套在下母线上。欠电压延时装置、热继电器或半导体脱扣器均可分别装在一方。
3、DW15C低压抽屉式断路器
DW15万能式断路器由断路器本体(经改装的DW15)和抽屉座组成。断路器本体上装有隔离触刀、二次回路动触头,接地触头支承导轨等。抽屉座由左右侧板、铝支架、隔离触座、二次回路静触头、滑架等组成。正下方由操作手柄、螺杆等组成推拉操作机构。
DW15万能断路器特性
1、DW15万能式断路器的额定绝缘电压等于相应的额定工作电压值。
2、DW15万能式断路器的基本参数DW15C-200、400、630~DW15-200、400、630相同
|
断路器壳架等级额定电流Inm(A) |
630 |
1000 |
1600 |
2500 |
4000 |
|||
|
约定发热电流Ith(A) |
200 |
400 |
630 |
1000 |
1600 |
2500 |
4000 |
|
|
极数 |
3 |
3 |
3 |
3 |
3 |
3 |
3 |
|
|
断路器额定电流In(A) |
热一电磁型 |
100 160 200 |
315 400 |
315 400 630 |
630 800 1000 |
1600 |
1600 2000 2500 |
2500 3000 4000 |
|
电子型 |
100 200 |
200 400 |
315 400 630 |
630 800 1000 |
1600 |
1600 2000 2500 |
2500 3000 4000 |
|
|
额定短路分断能力(kA) |
AC 380V |
20 |
30 |
30 |
40 |
40 |
60 |
80 |
|
AC 660V |
25 |
25 |
||||||
|
额定短时耐受电流(kA) |
8 |
12.6 |
12.6 |
30 |
30 |
40 |
60 |
|
|
与额定短时耐受电流有关时间(s) |
0.2 |
0.2 |
0.2 |
0.5 |
0.5 |
0.5 |
0.5 |
|
|
断路器机械寿命(次) |
10000 |
10000 |
10000 |
5000 |
5000 |
5000 |
4000 |
|
|
电寿命(1in,1Ue)(次) |
1000 |
1000 |
1000 |
500 |
500 |
500 |
500 |
|
|
AC380V保护电动机电寿命Ac~3(次) |
2000 |
2000 |
2000 |
|||||
|
操作频率(次/h) |
60 |
60 |
60 |
20 |
20 |
20 |
10 |
|
|
飞弧距离(mm) |
280 |
280 |
280 |
350 |
350 |
350 |
400 |
|
|
操作力臂(mm) |
90 |
90 |
90 |
250 |
250 |
250 |
250 |
|
|
操作力(N) |
200 |
200 |
200 |
350 |
350 |
350 |
350 |
|
注:断路器额定短路分断能力均为上进线。
断路器的脱扣器,释能电磁铁线圈及控制箱的额定电压
|
类型 |
额定电压(V) |
|||
|
交流50Hz |
直流 |
|||
|
脱扣器 |
分励脱扣器 |
Us |
127、220、380 |
110、220 |
|
欠电压脱扣器 |
Us |
- - |
||
|
闭合装置 |
操作机构释能电磁铁 |
Us |
220、380 |
110、220 |
|
操作电磁铁控制箱 |
Us |
127、220、380 |
||
|
电动机操作控制箱 |
Us |
220、380 |
||
注:1.127V规格为矿用。2.如需要Us为660V规格的操作电磁铁控制箱,由用户与制造厂协议供货。
图1 DT1系列电子式脱扣器工作原理方框图
LYBa、LYBb、LYBc-电流电压变压器
B-电源变压器
DW15万能式断路器
注意:Us3变压器B电源可以是AC380V,也可以是AC220V,图中是以AC380V电压为举例示意,请用户必须根据断路器上数据标牌所表明的电压等级通电。
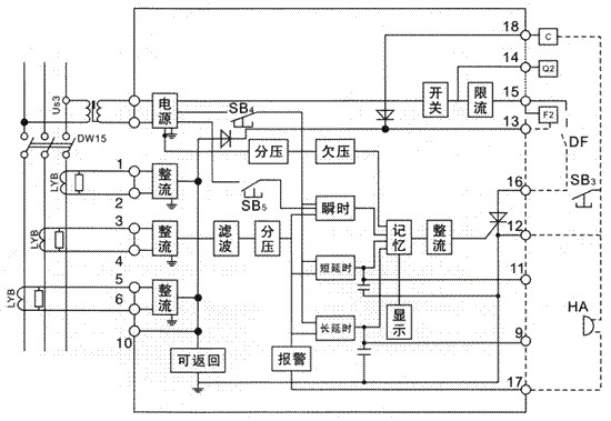
图2 DT3系列电子式脱扣器工作原理方框图
LYB-电流电压变化器 C-电容箱(零压延时用) SB-复位按钮
B-电源变压器 F2-分励脱扣器 SB5-瞬时试验按钮
DF-断路器辅助触头 Q2-欠电压延时脱扣器
HA-声响指示器 SB3-分断按钮(用户自备)
注意:Us3变压器B电源可以是AC380V,也可以是AC220V,图中是以AC380V电压为举例示意,请用户必须根据断路器上数据标牌所表明的电压等级通电。
DW15万能断路器电磁铁操作
操作电磁铁为庄家螺管型,交流电源电磁铁操作控制箱DK-10型与断路器一体安装。按线原理图见图3。DK-1型为直流电源电磁铁操作控制箱,可以根据使用条件安装适当场合,控制箱线路采用桥式整流供电磁铁线圈,线路原理见图4,接线图为图5。
DW15万能断路器电动机操作
断路器也可用电动机操作,电动机与断路器一体安装,电路接线原理见图14.
DW15及DWX15热-电磁型断路器,二次回路接线图见图7;DW15垫子型断路器,二次回路接线图见图8。
2、电子型脱扣器的检查
电子型脱扣器为插入式连接,可方便地取下检修或调换。I型一般在整机可进行简单的检查,当断路器处于闭合位置时,对电源变压器(B)供以下额定电压,然后将断路器上接线端子41.44号短接(见附图7),此时脱扣器经过经70s左右动作,断路器断开,此时表示电子型脱扣器能正常工作。
3、DW15万能断路器电子型脱扣器的整定方法
由于电流电压变压器在20倍额定电流范围内额定电流与输出电压成线性,当通过额定电流时,电流电压变压器两端输出电压为15V,用户既可以根据不同整定值供以与电网隔离的模拟信号对脱扣器进行调整。
4、断路器的外形尺寸及安装尺寸见图9
5、DK-1控制箱的外形尺寸及安装尺寸见图10
6、安装前线以500V兆欧表检查断路器绝缘电阻。在周围介质温度20℃±5℃和相对温度为50%~70%应不少于10MΩ,否则应烘干。
7、安装时检查断路器的规格是否符合使用要求。
8、断路器安装时,其底座位居于垂直于水平位置,并用4个M10螺钉固定。
9、断路器安装必须平整。
10、断路器应将电源引进导线或母线连接与断路器上母线端,介于用户的负载侧导线或母线应接连在断路器下母线端上。连接时不应有使断路器母线受到变形机械附加力。
11、检查断路器在闭合和断开过程中,其可动部分与灭弧室的零件应无卡住和碰擦现象,"分""合"指示完整。
12、检查断路器在手动或者电磁传动时,应可靠地使断路器闭合(但必须送电给欠电脱扣器)。
13、用分励脱扣器、欠压脱扣器动作或用手按"断"按钮均应使断路器可靠断开。
14、在安装时,应考虑断路器的飞弧距离、即灭弧罩上部须留有飞弧的空间。(飞弧举例见表2)
15、断路器应可靠接地,接地螺钉处有?标记,螺钉为M8。
16、在使用中发现铁心有特异噪声时,应将工作极面的防锈油抹净。
17、机构的各个转动部分必须定期注入润滑油。
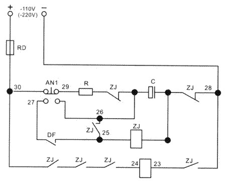
DW15-200、400、630
DK10-交流电源控制箱
RD-熔断器RL1-15/10(用户自备)
AN-合闸按钮(用户自备)
DF-断路器辅助开关常闭触头
DQ-电磁铁线圈
图3?交流电磁铁操作线路原理图
RD-熔断器RL1-15/10(用户自备)
AN-合闸按钮(用户自备)
ZJ-中间断路器
DF-断路器辅助触头
DQ-电磁铁线圈
图4?直流电磁铁操作线路原理图
图5?DK-1电磁铁操作控制箱用户接线图
X-接线座
SB-按钮(用户自备)
L.N-电源接线端
DF-常闭辅助触点(在断路器上)
M-电动机
用户按虚线联接
图6?电动机操作线路原理图
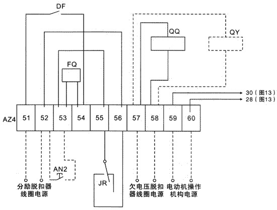
图7DW15、DWX15-电磁型断路器二次回路接线图
DF-断路器辅助触头(常开) QY-欠电压延时脱扣器
AZ4-接线端子 JR-热继电器
FQ-分励脱扣器 AN2-按钮(用户自备)
QQ-欠电压脱扣器线圈
注:1、分励脱扣器线圈电源和欠电压脱扣器线圈电源(或欠电压延时脱扣器电源)由用户自接。
2、断路器可按用户需要装置欠电压脱扣器或欠电压
图8DW15电子型断路器二次回路接线图
DW15万能断路器
DF-断路器辅助触头(常开)
FQ-分励脱扣器
QQ-欠电压脱扣器线圈
B-电源电压器
LYBa、LYBb、LYBc-电流电压变换器
AN2-按钮(用户自备)
L-漏电开关辅助触头(常闭)或其它继电器常闭触头
CZ-电子型脱扣器插座
AZ4-接线端子
C-电容箱(零压延时用)
HA-声响指示器
DW15万能断路器欠电压延时脱扣器
欠电压延时脱扣器工作原理与电子式过电流脱扣器中欠电压延时部分相同,它以单独组件向用户提供。
DW15万能断路器电动控制电路
操作用电动机为直流串激电机(速度较慢型),其特点是有较大的起动力矩,工作更可靠,贮能过程噪音较小,电动控制电路见图9,动作原理。
按下储能按钮SB3,继电器K1吸合并自锁,电动机运转,断路器贮能至终点开关SE闭合,继电器K2吸合,K1断开位置,故再按SB3也不能使断路器能。
DW15万能断路器接线端子板
断路器总体接线端子板由2只AZ4-1006组成共12个接线端子。无论是电子式还是电磁式或热-电磁式脱扣器,其总体接线端子板均统一为一种,编号为41~52(接线图是图9~图11)。这新的接线方式最大特点是每个端子用途固定,切各种工作电源若需并联使用时,不需经过按钮,接线简单方便,便于用户使用。
DW15万能断路器释能电磁铁
释能电磁铁是庄家式螺管电磁铁,线圈为短时工作制,铁芯工作间隙约14mm。
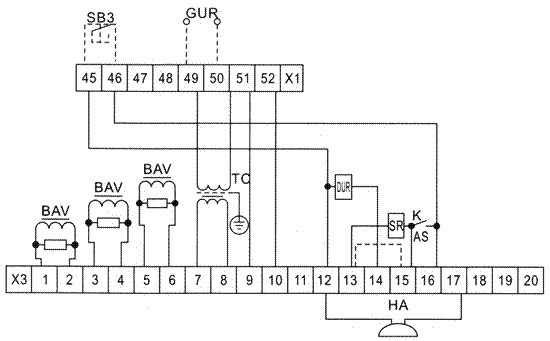
图9~11的说明:
X为断路器总体接线端子板,编号为41~52,供用户接线的端子作用如下:
41,42?G供电动机,释能电磁铁工作电源;
41,43?SB3贮能按钮;
41,44?SB2闭合按钮;
45,46?SB8开关按钮;
47,48?GSR供分励脱扣器F1工作电源;
49,50?GUR供欠电压脱扣器Q1或电子脱扣器电源变压器工作电源;
51,45?供检测长延时充电电压信号;
52,45?供检测电流电压变换器输出电压信号;其中SB2、SB3、SB8系用户自备;
X2?欠电压延时脱扣器接线端子板;
X3?电子脱扣器接线端子板;
YR?释能电磁铁;
FU熔断器(10A)用户自备;
AS?辅助触头(在断路器上)
TA?电流互感器
K·K2·K3继电器

注:①选用型Ⅰ(基本型)电子脱扣器按实线连接;
②选用Ⅱ(不带欠电压脱扣器)、15至K点补接但按双点划线15接至13。
图11?DT1系列电子式脱扣器接线图
当装有DT3电子式脱扣器时,其二次回路接线按图11-1
注:①装有DT3系列电子式脱扣器在其脱扣器动作使断路器分断之后。如果用户再需合闸断路器,要先安东脱扣器上的复位按钮,使故障显示消失及欠电压脱扣器得电吸合,然后再合闸断路器。
②如用户需用零压延时时,请来厂联系协议供货。
③用户连线。

